| File Name ↓ | File Size ↓ | Date ↓ |
|---|---|---|
| Parent directory/ | - | - |
| IBM 5154 - white raster when no video signal.jpg | 350.5 KiB | 2021-Mar-27 22:36 |
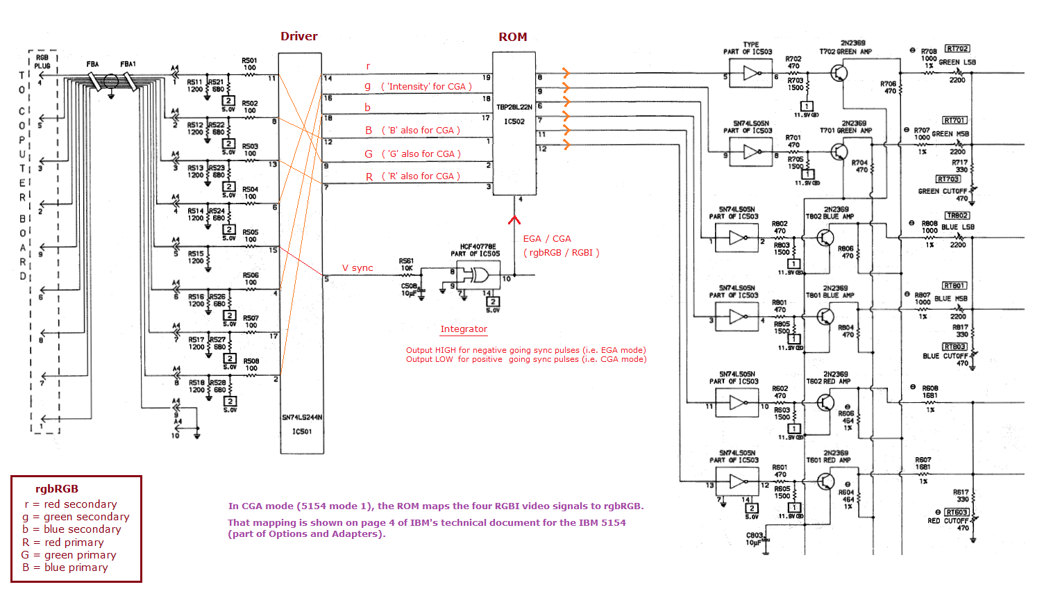
| IBM 5154 - Colour mapping via ROM.png | 339.5 KiB | 2020-Jun-01 23:21 |
| 5154_flyback_transformer_in_sams_computerfacts.jpg | 42.7 KiB | 2019-Jul-29 06:21 |
| 5154_flyback_transformer_in_my_unit.jpg | 6.4 MiB | 2019-Jul-29 06:21 |